

|
型號 |
壓力 |
出力 |
剪切形式 |
剪刀型號 |
最大棒材 |
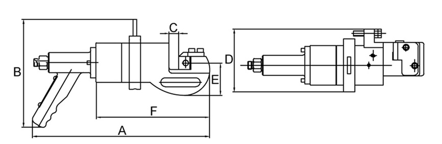
外形尺寸(mm) |
重量 |
||||
|
A |
B |
C |
D |
E |
|||||||
|
HRC14 |
700 |
15 |
錯剪式 |
EG14 |
14 |
397 |
247 |
22 |
144 |
|
11 |
|
HRC15 |
700 |
20 |
對剪式 |
EG15 |
16 |
420 |
200 |
25 |
105 |
90 |
14 |
|
HRC35 |
700 |
35 |
對剪式 |
EG35 |
25 |
580 |
240 |
30 |
128 |
122 |
34 |
|
HRC45 |
700 |
45 |
錯剪式 |
EG45 |
32 |
580 |
246 |
38.5 |
138 |
114 |
48 |